Product Summary
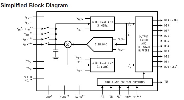
The ADC10461CIWM is a kind of 10-Bit 600 ns A/D Converter with Input Multiplexer and Sample/Hold. Using an innovative, patented multistep conversion technique, the ADC10461CIWM offers sub-microsecond conversion times yet dissipate a maximum of only 235 mW. These converters perform 10-bit conversion in two lower-resolution flashes, yielding a fast A/D without the cost, power consumption, and other problems associated with true flash approaches. Dynamic performance (THD, S/N) is guaranteed. The ADC10461CIWM is designed for: (1)Digital signal processor front ends; (2)Instrumentation; (3)Disk drives; (4)Mobile telecommunications.
Parametrics
ADC10461CIWM absolute maximum ratings: (1)Supply Voltage (V+ = AVCC = DVCC): -0.3V to +6V; (2)Voltage at Any Input or Output: -0.3V to V+ + 0.3V; (3)Input Current at Any Pin: 5 mA; (4)Package Input Current: 20 mA; (5)Power Consumption: 875 mW; (6)ESD Susceptibility: 2000V; (7)Soldering Information: N Package (10 Sec): 260℃; SO Package: Vapor Phase (60 Sec): 215℃ Infrared (15 Sec): 220℃; (8)Storage Temperature Range: -65℃ to +150℃; (9)Junction Temperature: 150℃.
Features
ADC10461CIWM features: (1)Built-isample-and-hold; (2)Single +5V supply; (3)No external clock required; (4)Speed adjust pifor faster conversions (ADC10462 and ADC10464).
Diagrams

| Image | Part No | Mfg | Description | ![]() |
Pricing (USD) |
Quantity | ||||
|---|---|---|---|---|---|---|---|---|---|---|
![]() |
![]() ADC10461CIWM/NOPB |
![]() |
![]() IC ADC 10BIT 600 NS 20-SOIC |
![]() Data Sheet |
![]() Negotiable |
|
||||
![]() |
![]() ADC10461CIWMX |
![]() Other |
![]() |
![]() Data Sheet |
![]() Negotiable |
|
||||
(China (Mainland))










